Сейчас ваша корзина пуста!
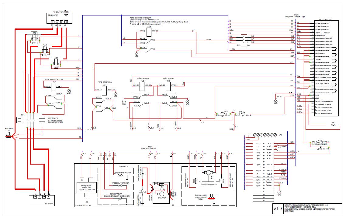
В документе представлены схема подключения МКУ, основные приборы и модули шкафа и схема подключения узлов дизель-генератора к шкафу.
МКУ 5.110.000 (ОТК/24В/133х98х70/0.3/IP31/MHU/1х3ф380+N/ 3ток.вх.0.5В/6
Схема-ЩМК-с-МКУ-5-110-000-для-ЯМЗ
Уведомления