Сейчас ваша корзина пуста!
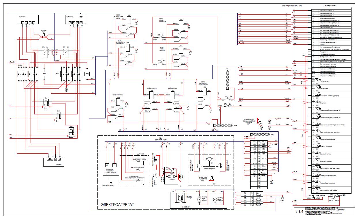
В документе представлены схема подключения МКУ, основные приборы и модули шкафа и схема подключения узлов дизель-генератора к шкафу.
Схема-ЩМК-с-МКУ-5-230-000-для-ЯМЗ
Уведомления